対象製品
[編集]-[グループ]-[グループ化]コマンドにて、ハイパーリンクの埋め込みが可能です。
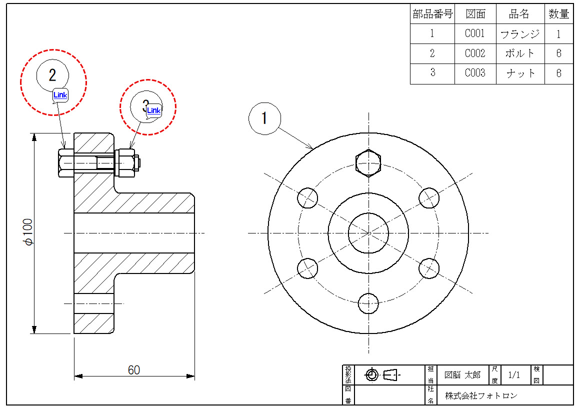
図面内に関連図面のリンクを付けて簡単に参照できるようにしたりすることができます。
ハイパーリンクの設定方法
- [編集]-[グループ]-[グループ化]コマンドをクリックします。
- ハイパーリンクを設定する図形を選択します。
- [グループ化]ダイアログボックスが表示されます。
[ハイパーリンク]タブをクリックします。 - [新規作成(Insert)]ボタンをクリックします。

- [ハイパーリンク設定]ダイアログボックスが表示されます。
[リンク先のファイル]にリンクのURLを入力します。
[参照]ボタンからローカル、ネットワーク上のファイルを指定することもできます。
ローカルにあるファイルの場合、[絶対パス]/[相対パス]の切り替えも可能です。
設定が完了したら[了解]ボタンを押します。
- [グループ化]ダイアログボックスに戻ります。
[了解]ボタンを押して、[グループ化]コマンドを終了します。
- 設定済みのリンク先を変更する場合は、[編集]-[グループ]-[グループ属性変更]コマンドをクリックしてグループ図形を選択し、[グループ属性変更]ダイアログボックスの[ハイパーリンク]タブをクリックします。一覧から変更したい項目をクリックして[編集]ボタンを押すか、リストの項目をダブルクリックすることで、[ハイパーリンク設定]ダイアログボックスが表示され、内容を変更することができます。
設定したハイパーリンクの呼び出し方法
- [編集]-[グループ]-[ハイパーリンク呼び出し]コマンドをクリックします。
- ハイパーリンクを設定した図形に[Link]マークが表示されます。

- [Link]マークをクリックすると、[ハイパーリンク設定]ダイアログボックスで設定したファイルが開きます。
- 右クリックメニューの[終了]をクリックすると、[Link]マークの表示を終了します。
- [編集]-[選択]コマンドをクリックしてハイパーリンクを設定した図形を選択した後、右クリックメニューの[ハイパーリンクを開く]からもリンクを設定したファイルを開くことができます。

- 図面内にハイパーリンクを設定する機能は図脳RAPIDPROのみの機能です。図脳RAPIDにはありません。

